COOLENS视清 WWH40-108CTLV3 远心镜头
基本参数
支持CCD尺寸(Φmm)
11.0(2/3")
放大倍率β(x)
4
物方工作距WD(mm)
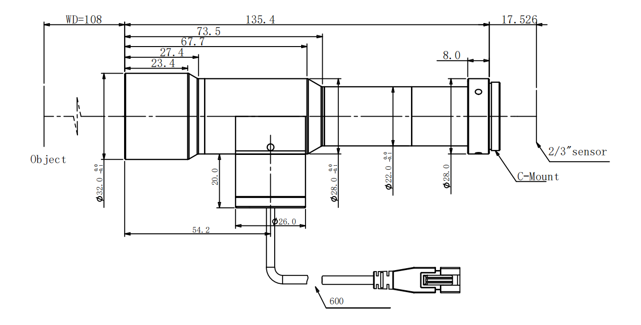
108
像方F/#
19.4
物方景深DOF(mm)
0.1
像方畸变(% max)
0.03
物方远心度(° max)
0.03
镜头总长(mm)
135.4
镜头接口
C
物方分辨率(μm)
3.4
数值孔径 NA
0.1
是否同轴光
是
可变光栏
无
视野范围 (mmxmm)
1/2" (6.4x4.8)
1.6x1.2
1/1.8" (7.13x5.37)
1.8x1.3
2/3" (8.8x6.6)
2.2x1.7
结构图

电话:0755-84689265 手机/微信:18320955412 QQ:2423332841 邮箱:2423332841@qq.com