COOLENS视清 WWH20-108CTV3 远心镜头
基本参数
支持CCD尺寸(Φmm)
11.0(2/3")
放大倍率β(x)
2
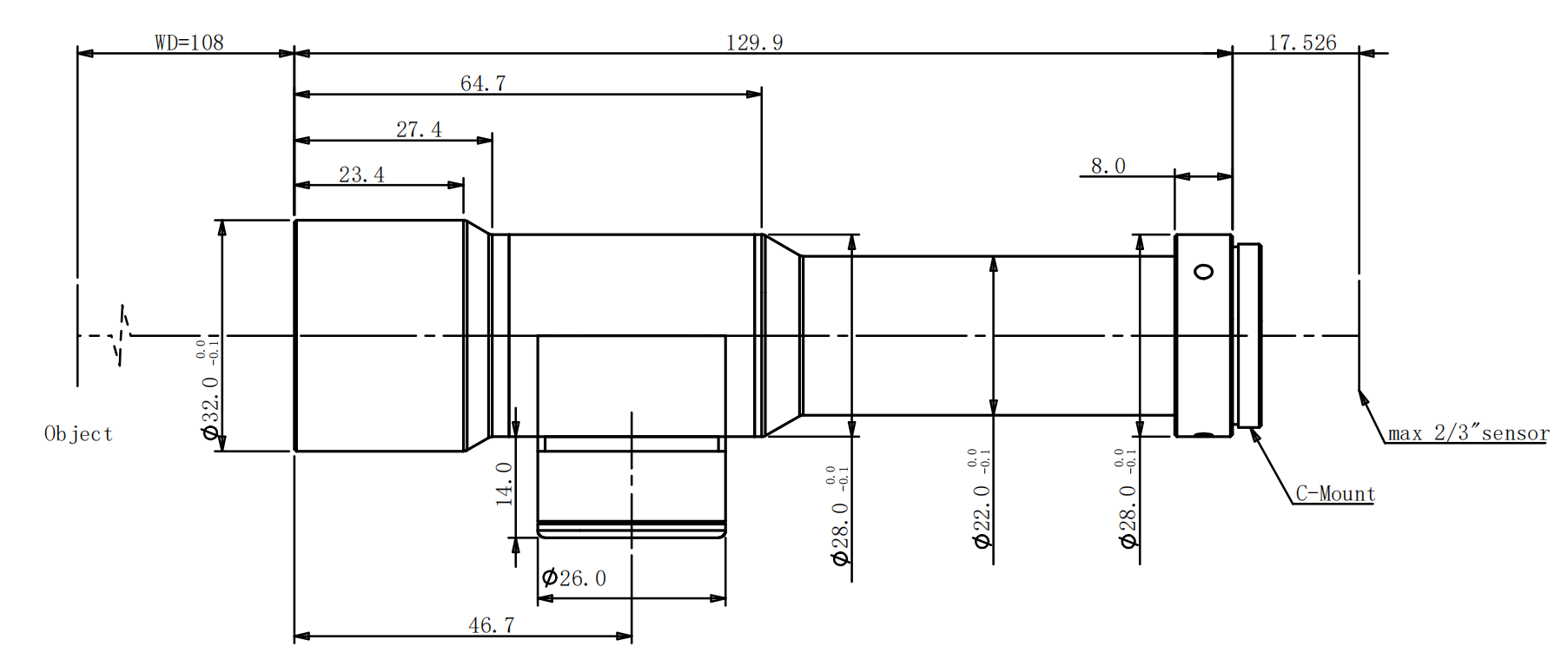
物方工作距WD(mm)
108
像方F/#
10.5
物方景深DOF(mm)
0.2
像方畸变(% max)
0.04
物方远心度(° max)
0.05
镜头总长(mm)
129.9
镜头接口
C
物方分辨率(μm)
3.5
数值孔径 NA
0.09558
是否同轴光
是
可变光栏
无
视野范围 (mmxmm)
1/2" (6.4x4.8)
3.2x2.4
1/1.8" (7.13x5.37)
3.6x2.7
2/3" (8.8x6.6)
4.4x3.3
结构图

电话:0755-84689265 手机/微信:18320955412 QQ:2423332841 邮箱:2423332841@qq.com