COOLENS视清 WWH100-108CTLV3 远心镜头
基本参数
支持CCD尺寸(Φmm)
11.0(2/3")
放大倍率β(x)
10
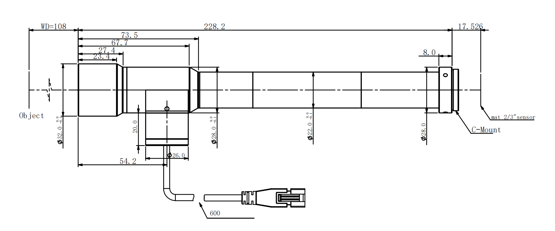
物方工作距WD(mm)
108
像方F/#
48
物方景深DOF(mm)
0.04
像方畸变(% max)
0.01
物方远心度(° max)
0.01
镜头总长(mm)
228.2
镜头接口
C
物方分辨率(μm)
3.4
数值孔径 NA
0.1
是否同轴光
是
可变光栏
无
视野范围 (mmxmm)
1/2" (6.4x4.8)
0.6×0.5
1/1.8" (7.13x5.37)
0.7×0.5
2/3" (8.8x6.6)
0.9×0.7
结构图

电话:0755-84689265 手机/微信:18320955412 QQ:2423332841 邮箱:2423332841@qq.com