COOLENS视清 WWH10-108ATV3 远心镜头
基本参数
支持CCD尺寸(Φmm)
11.0(2/3")
放大倍率β(x)
1
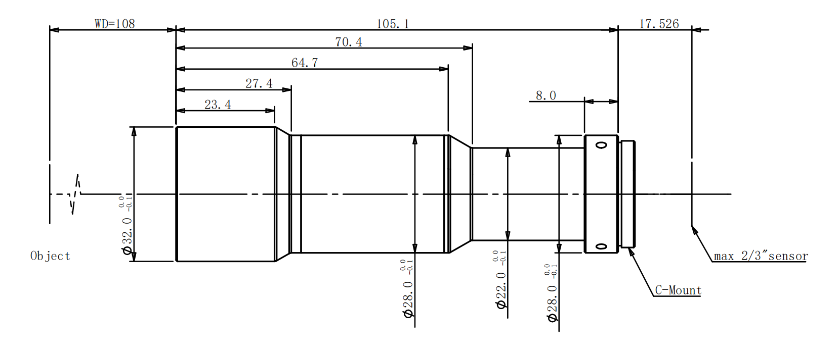
物方工作距WD(mm)
108
像方F/#
7
物方景深DOF(mm)
0.6
像方畸变(% max)
0.04
物方远心度(° max)
0.04
镜头总长(mm)
105.1
镜头接口
C
物方分辨率(μm)
4.7
数值孔径 NA
0.0712
是否同轴光
否
可变光栏
无
视野范围 (mmxmm)
1/2" (6.4x4.8)
6.4x4.8
1/1.8" (7.13x5.37)
7.13x5.37
2/3" (8.8x6.6)
8.8x6.6
结构图

电话:0755-84689265 手机/微信:18320955412 QQ:2423332841 邮箱:2423332841@qq.com