COOLENS视清 WWH15-108CTV3 远心镜头
基本参数
支持CCD尺寸(Φmm)
11.0(2/3")
放大倍率β(x)
1.5
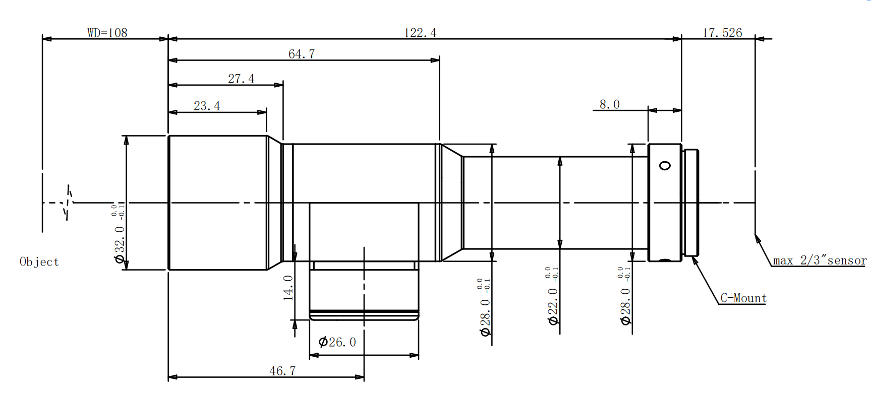
物方工作距WD(mm)
108
像方F/#
7.3
物方景深DOF(mm)
0.3
像方畸变(% max)
0.03
物方远心度(° max)
0.05
镜头总长(mm)
122.4
镜头接口
C
物方分辨率(μm)
3.9
数值孔径 NA
0.08541
是否同轴光
是
可变光栏
无
视野范围 (mmxmm)
1/2" (6.4x4.8)
4.3x3.2
1/1.8" (7.13x5.37)
4.8x3.6
2/3" (8.8x6.6)
5.9x4.4
结构图

电话:0755-84689265 手机/微信:18320955412 QQ:2423332841 邮箱:2423332841@qq.com