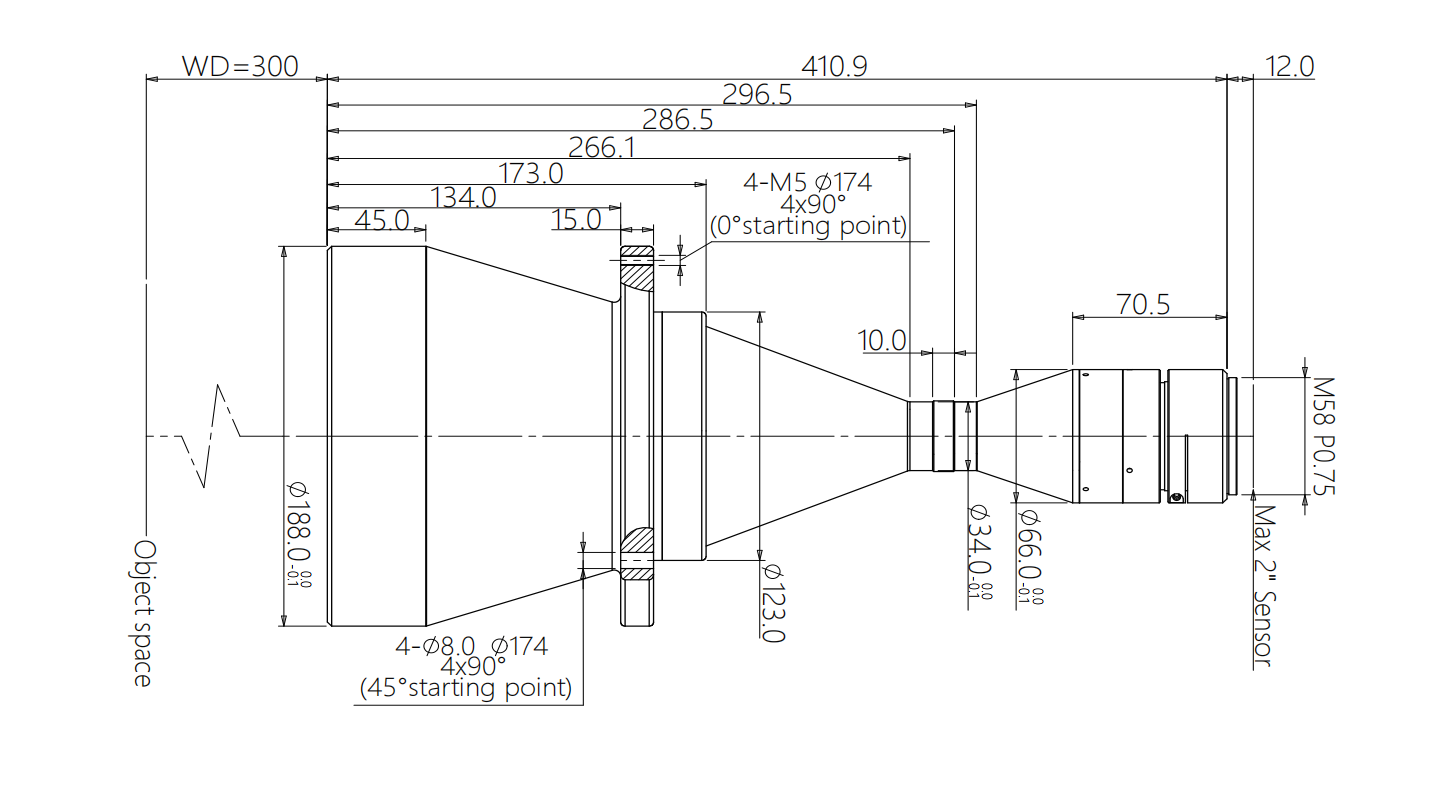
COOLENS视清 DTCM210-150-M58-AL 双远心镜头(大靶面)
基本参数
支持CCD尺寸(Φmm)
33(2")
物方视场FOV(Φmm)
150
放大倍率β(x)
0.22
物方工作距WD(mm)
300±5
像方F/#
11.1
物方景深DOF(mm)
±16.5@F20
像方畸变(% max)
<0.1
物方远心度(° max)
<0.1
物像距I/O(mm)
723±5
镜头总长(mm)
410.9
镜头接口
M58
净重(KG)
6.3
像方MTF30(lp/mm)
>80
视野范围(mmxmm)
2" DALSA 12M(24.58x18.43)
111.7x83.8
2" PYTHON 25K(23.04x23.04)
104.7x104.7
结构图

电话:0755-84689265 手机/微信:18320955412 QQ:2423332841 邮箱:2423332841@qq.com