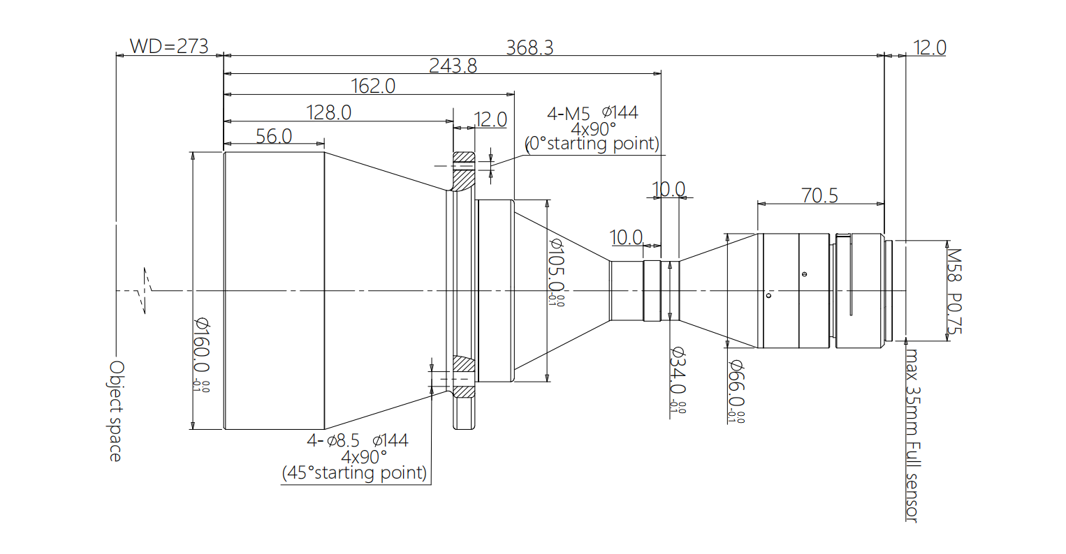
COOLENS视清 DTCM210-120H-M58-AL 双远心镜头(大靶面)
基本参数
支持CCD尺寸(Φmm)
33(2")
物方视场FOV(Φmm)
120
放大倍率β(x)
0.275
物方工作距WD(mm)
273±5
像方F/#
7.8
物方景深DOF(mm)
±8.5@F16
像方畸变(% max)
<0.1
物方远心度(° max)
<0.1
物像距I/O(mm)
653±5
镜头总长(mm)
368.3
镜头接口
M58
净重(KG)
4.8
像方MTF30(lp/mm)
>115
视野范围(mmxmm)
2" DALSA 12M(24.58x18.43)
89.4x67.0
2" PYTHON 25K(23.04x23.04)
83.8x83.8
结构图

MTF曲线

电话:0755-84689265 手机/微信:18320955412 QQ:2423332841 邮箱:2423332841@qq.com